Układy grzewcze
Z uwagi na opcjonalność i różne typy urządzeń grzewczych ceny elementów automatyki (czujniki, siłowniki itd.) i szaf mogą być różne, dlatego ich ceny podajemy w cenniku ogólnym.
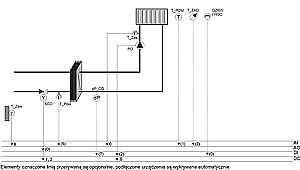
Instalacja G001: Węzeł grzewczy jednofunkcyjny, z wymiennikiem ciepła |
 |
| Dokumentacja techniczna |
Cena |
Schemat technologiczny z opisem |
Schemat elektryczny |
Pełny cennik automatyki  |
Pełna dokumentacja |
Szafa zasilająco-sterująca - na zapytanie |
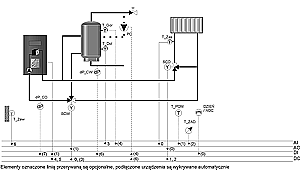
Instalacja G002: Węzeł grzewczy dwufunkcyjny z dwoma wymiennikami ciepła, osobnym dla CO i dla CWU |
 |
| Dokumentacja techniczna |
Cena |
Schemat technologiczny z opisem |
Schemat elektryczny |
Pełny cennik automatyki  |
Pełna dokumentacja |
Szafa zasilająco-sterująca - na zapytanie |
Instalacja G003: Węzeł grzewczy z jednym wymiennikiem ciepła, dwufunkcyjny z przełączanym ładowaniem CWU |
 |
| Dokumentacja techniczna |
Cena |
Schemat technologiczny z opisem |
Schemat elektryczny |
Pełny cennik automatyki  |
Pełna dokumentacja |
Szafa zasilająco-sterująca - na zapytanie |
Instalacja G004: Węzeł grzewczy z jednym wymiennikiem ciepła, dwa obiegi CO, jeden regulowany wg krzywej grzewczej, drugi z obniżeniem względem pierwszego |
 |
| Dokumentacja techniczna |
Cena |
Schemat technologiczny z opisem |
Schemat elektryczny |
Pełny cennik automatyki  |
Pełna dokumentacja |
Szafa zasilająco-sterująca - na zapytanie |
Instalacja G005: Węzeł grzewczy trzyfunkcyjny, z dwoma wymiennikami ciepła, jednym dla obiegów CO, drugim dla obiegu CWU. W układzie CO jeden obieg regulowany jest wg krzywej grzewczej, drugi z nastawialnym obniżeniem względem pierwszego |
 |
| Dokumentacja techniczna |
Cena |
Schemat technologiczny z opisem |
Schemat elektryczny |
Pełny cennik automatyki  |
Pełna dokumentacja |
Szafa zasilająco-sterująca - na zapytanie |
Instalacja G006: Węzeł grzewczy z jednym wymiennikiem ciepła, dwa obiegi CO, każdy wyposażony w pompę obiegową, jeden regulowany wg krzywej grzewczej, drugi z nastawialnym obniżeniem względem pierwszego |
 |
| Dokumentacja techniczna |
Cena |
Schemat technologiczny z opisem |
Schemat elektryczny |
Pełny cennik automatyki  |
Pełna dokumentacja |
Szafa zasilająco-sterująca - na zapytanie |
Instalacja G007: Węzeł grzewczy z czterema obiegami CO, każdy wyposażony w pompę obiegową oraz zawór regulowany wg krzywej grzewczej z uwzględnieniem indywidualnego obniżenia |
 |
| Dokumentacja techniczna |
Cena |
Schemat technologiczny z opisem |
Schemat elektryczny |
Pełny cennik automatyki  |
Pełna dokumentacja |
Szafa zasilająco-sterująca - na zapytanie |
Instalacja G010: Węzeł grzewczy z jednym wymiennikiem ciepła regulowanym wg krzywej grzewczej, trzema obiegi CO, każdy wyposażony w pompę obiegową, z nastawialnym obniżeniem względem wymiennika głównego |
 |
| Dokumentacja techniczna |
Cena |
Schemat technologiczny z opisem |
Schemat elektryczny |
Pełny cennik automatyki  |
Pełna dokumentacja |
Szafa zasilająco-sterująca - na zapytanie |
Instalacja G103: Węzeł grzewczy z piecem CO, dwufunkcyjny z przełączanym ładowaniem CWU |
 |
| Dokumentacja techniczna |
Cena |
Schemat technologiczny z opisem |
Schemat elektryczny |
Pełny cennik automatyki  |
Pełna dokumentacja |
Szafa zasilająco-sterująca - na zapytanie |
|